Available for Import
Underground Equipment Complex for Gas Extraction and Injection Applications Model 98300
Manufacturer:
IZMERON LLC
Price:
Request Quote
Bulk pricing available
FOB, CIF & EXW terms available
Description
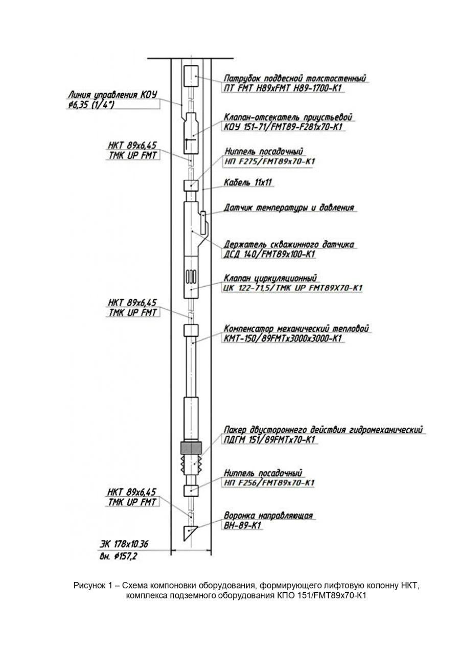
Designed for installation in pipe-cased gas wells, for use in the following technological processes:
-gas and gas condensate production;
-injection of produced formation water into absorbing horizons;
-injection of technical fluid into the productive formation in order to maintain formation pressure; -injection of technical fluid into the reservoir
-injection of technical fluids into the productive formation in order to maintain formation pressure;
-control of thermobaric operating conditions (if pressure and temperature sensors are available);
-well killing, flushing, refilling;
-recovery of the well until formation production is obtained,
-inhibition of downhole equipment.
-gas and gas condensate production;
-injection of produced formation water into absorbing horizons;
-injection of technical fluid into the productive formation in order to maintain formation pressure; -injection of technical fluid into the reservoir
-injection of technical fluids into the productive formation in order to maintain formation pressure;
-control of thermobaric operating conditions (if pressure and temperature sensors are available);
-well killing, flushing, refilling;
-recovery of the well until formation production is obtained,
-inhibition of downhole equipment.
Specifications
Pressure
70 MPa
Model
98300
Share your requirements for a quick response!
Instant response in 15 minutes
Best wholesale prices guaranteed
Direct from manufacturer
Delivery & Payment
Shipping Terms
Delivery Time
Sea freight: 30-60 days (depending on destination)
Air freight: 14-21 days (for urgent orders)
Payment Methods
Similar Products You May Be Interested In
Nitrogen Receiver V16-10-3-50 Black RA16-1.0-HL1-G.00.000 (G)
View DetailsHeavy-Duty Anchor SPEK Alloy Steel 3780KG
View DetailsHot Beverage Display Counter PGN-70KM-01
View DetailsExhaust System for GPA-32 "Ladoga" SV 32.00.00.000
View DetailsAdsorption Drying Unit UPIG-3000
View DetailsAirport Ground Extension Cable EAZ
View DetailsDeep Vibrator Electric Model EPK-1300/38
View DetailsManual Lever Gate Valves Pair ZP-400x400 for Bunkers
View DetailsZinc Comparison Electrode ESC-2 "Mendeleevets
View DetailsHydraulic Plug Valve for Bunker Installation - SHZG
View DetailsFlanged Non-Return Shutoff Valve Without Spring with Indicator DN 65 PN 16 Series 458 (KMIА.491925.001-06)
View DetailsReceiving Chamber for Cleaning and Diagnostics of Pipelines KP-1000-6.3-C0-B-L-U1
View DetailsVerified Suppliers
All products are sourced directly from authorized Russian manufacturers
Quality Assurance
Products meet international quality standards with proper certification
Global Shipping
Reliable logistics solutions to deliver products to your location
Secure Payments
Multiple secure payment options to facilitate international transactions