Adjustable Axial Piston Pump MGE112/32M - Versatile Hydraulic Solution

Adjustable Axial Piston Pump MGE112/32M for Flexible Hydraulic Applications

Manufacturer:SHZG OJSC
Price:Request Quote

Bulk pricing available

FOB, CIF & EXW terms available

Description

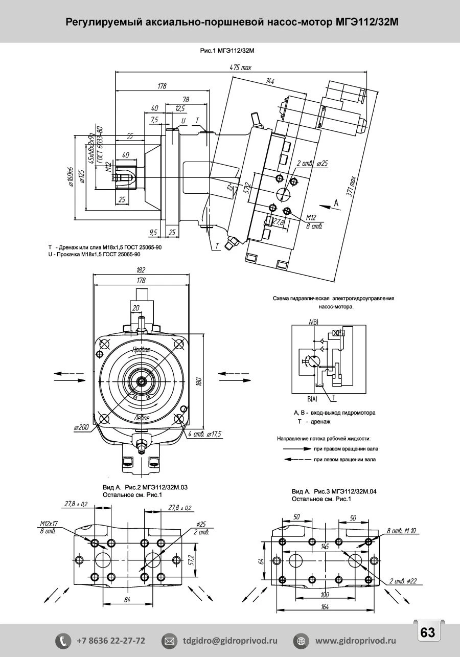
Motor pumps are designed for use as a regulated pump or g hydraulic motor.

Specifications

Maximum working pressure
320
Pump speed
1000
Working volume
112
Weight
SBVVBG kg
Save Your Time

Share your requirements for a quick response!